TDK带导线电感器RF系列样本PDF格式
欢迎来到CAD2688网 登录 免费注册
全部商品分类

TDK带导线电感器RF系列样本PDF格式

商品编号: TDKDDXDGQRFPDF001

我要买:
分享到: 更多
  • 著作权介绍
  • 产品介绍
  • 视频展示
  • 购买评论
  • 产品问答
  • 购买须知
  • 试用下载

此样本数据为0元购产品,注册会员后,即可免费购买0元购产品,在订单详细信息中点击下载链接,即可下载该样本文件!


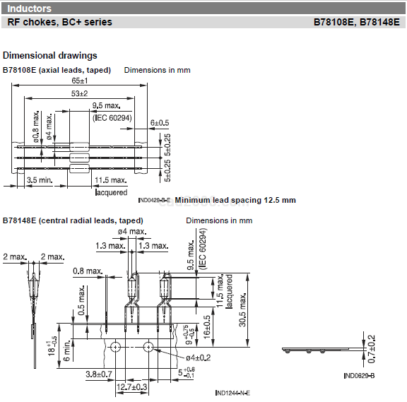
TDK带导线电感器RF系列样本PDF格式内容如下:





  • 机械产品样本
  • 机床产品样本
  • 电气产品样本
  • 化工产品样本
  • 更多

京公网安备 11011102002233号