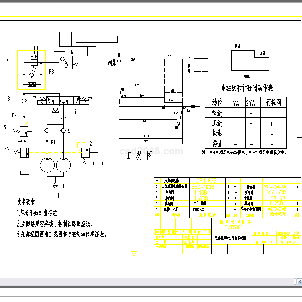
CAD组合机床动力滑台系统图
欢迎来到CAD2688网 登录 免费注册
全部商品分类

CAD组合机床动力滑台系统图

商品编号: CADZHJCDLHTXT001

我要买:
分享到: 更多
  • 著作权介绍
  • 产品介绍
  • 视频展示
  • 购买评论
  • 产品问答
  • 购买须知
  • 试用下载

本产品为0元购产品,注册会员后,即可免费购买0元购产品下载!CAD组合机床动力滑台系统图如下:


  • 机械
  • 电气
  • 化工
  • 模具
  • 更多

京公网安备 11011102002233号