电梯PLC控制图 PLC电梯 PLC图DWG格式
欢迎来到CAD2688网 登录 免费注册
全部商品分类

电梯PLC控制图 PLC电梯 PLC图DWG格式

商品编号: DTPLCKZT001

我要买:
分享到: 更多
  • 著作权介绍
  • 产品介绍
  • 视频展示
  • 购买评论
  • 产品问答
  • 购买须知
  • 试用下载

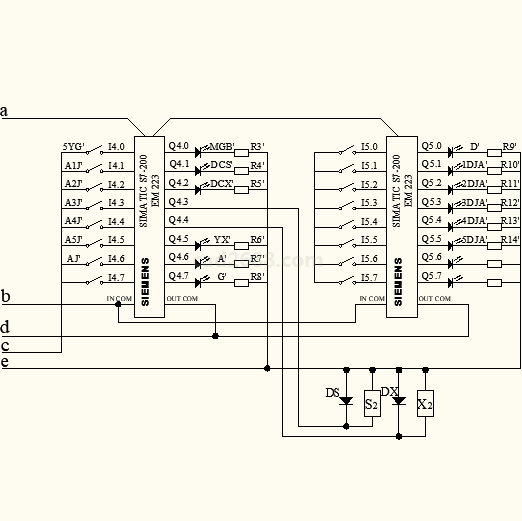
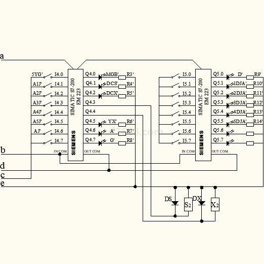
电梯PLC控制图DWG格式具有完整的关系,注册会员提交订单后,在订单详细信息中点击下载链接下载即可


电梯PLC控制图DWG格式 如下



  • 机械
  • 电气
  • 化工
  • 模具
  • 更多

京公网安备 11011102002233号