拓普锐单井道有机房货梯井道图软件详解 《拓普锐单井道有机房货梯井道图软件》软件是本公司专为电梯企业开发的电梯井道设计出图软件系统。软件是基于AUTOCAD2000以上版本开发,使用C#开发语音,采用可视化操作界面,工程师只需输入企业自己的产品数据即可,软件就能迅速生成按真实尺寸绘制的完整、规范图纸。软件内置了大量的计算功能,能够对输入的数据进行合合理化检查,最大程度的减少因人为因素造成的设计错误,详解如下: 拓普锐单井道有机房货梯井道图软件详解内容如下: 在电梯井道图绘制的过程中,不同的厂家数据是不同的,我们现在就根据林肯电梯厂的井道图软件数据为例,详细讲解《拓普锐有机房单井道货梯井道图CAD》林肯项目的完成内容。 1. 《拓普锐单井道有机房货梯井道图CAD》软件是基于AUTOCAD2000-2019开发完成,点击桌面图标,启动林肯电梯井道设计系统软件后,系统自动加载到AUTOCAD中生成功能图标,如下图。


2. 在启动的AUTOCAD中点击命令图标即可调出软件功能界面,如点击<< span="">有机房电梯>菜单,会弹出有机房客梯数据输入对话框,如下图。 
3. 项目数据录入,在上图中,可以输入项目名称、合同号、产品型号、控制方式、梯号、台数、图号、设计、标准、审核、批准等项目信息,项目信息可以保存,以便重复使用,项目信息也可以对接ERP数据,便于企业管理。 4. 外呼按钮的选择,可以用鼠标点击选择,在上图中,可以选择外呼按钮是在左边或右边。 5. 基本参数输入、曳引机厂家选择、门机厂家型号选择、井道尺寸突出物及修井选择、导轨型号选择、轮子型号及数量输入、轿厢等数据的输入。 
在选择或输入不同数据时,系统会自动做出判断,所输入的数据是否合理,并给出相应的提示,如轿厢净宽值填写成2600时,系统会自动报错,用红色文字提示错误的内容。 
6. 非标情况的选择,如突出物设置,在这里可以来确定角柱位置、凸梁位置、过渡平台及牛腿等参数设置。 
7. 在电梯井道图绘制过程中,各个厂家的数据是不同的,有时候是需要修井的,修井参数设置如下图,我们可以修井的位置、修井方式及尺寸、支架加固情况的选择。 
8. 在林肯电梯生成土建图的过程中,是需要生成立面图纸的,在软件界面中点击立面设计,系统会弹出立面数据输入对话框,在这里可以输入井道壁的结构、起始层号、楼层层数、底坑深度、顶层高度等所需要的参数,这些参数可以根据厂家的不同需要进行更改,不需要生产立面详图的厂家,可以根据需要生产简图。 
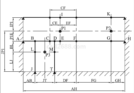
9. 计算包角,软件系统根据曳引轮直径、导向轮直径、安装孔距离、曳引轮于导向轮的垂直距离来计算曳引轮钢丝绳包角数值。 
10.机房设计,在软件界面中点击机房设计,会弹出机房数据选择界面,可以根据需要选择小机房或大机房、限速器、机房门、控制柜等内容。机房设计在界面中也是动态展示的,在修改不同的参数时,图纸展示区会自动变化,展示控制柜、机房门的位置。 
11.根据已知数据曳引机自重、电梯载重、轿厢重量、对重重量、其他重量、载重系数、平衡系数来计算出承重梁受力计算数值,同时分别计算出C点和F点的弯矩,计算F点处的应力,承重梁刚度(变形)计算值。 

12.其它参数输入界面,为了安全设计生产,不同的厂家在设计电梯时,都有很多最小值设置、关键参数尺寸设置等,在其它参数界面中即可完成这些参数的设定,设定后系统会自动提取并计算,用来比对相关参数的输入合理性,不同厂家参数不同,如下图。
13.规格参数表,规格参数表主要用来确定各个部件参数及数量的,不同厂家参数不同,所输入的数据也不同,有的厂家也不需要此功能。规格参数表可以直接导出EXCEL文件,用户可以直接打印输出,如下图。 



14.图纸生成,在数据输入完成后可直接点击确定绘图按钮,图纸会在AUTOCAD中自动完成绘图工作, 如下图: 





15.软件优势: 促进销售:在电梯销售过程中,很多是需要销售人员现场绘制电梯土建方案图CAD图纸,拓普锐电梯井道图CAD绘图软件解决了此问题,销售人员只需要输入井道尺寸、轿厢尺寸等几个参数即可完成图纸是输出;软件是根据企业的产品数据定制完成,数据可以重复利用,点击绘图后,只需要20秒左右即可完成图纸的绘制; 0错误:软件是为企业定制完成,数据是企业的专属数据,输出的图纸、尺寸标注、图框标题栏内容、图纸排布等都是自动完成,避免了人工计算、绘制、排布尺寸容易出错的问题。 规范化:通过软件的应用,把过去企业积累的技术进行了规范华的定制,相当于把企业的常规梯形、量大的梯形进行了企业标准的固化,让技术人员、市场人员、管理人员更容易的学习、理解、接受企业的的技术知识。软件不但公司技术人员绘图设计使用,更适合公司里的销售人员、管理人员使用,以便提高工作效率。系统使用后大大提高出图效率,过去需要人工加班加点24小时完成的工作,现在只需要几十秒即可完成。电梯井道图是企业的基础数据,是智能制造的数据源头,通过拓普锐电梯井道图CAD软件的实施,完成了企业产品数据的规范化,为智能制造、数据互联提供了最基础的数据整理。 智能化:随着企业的发展,智能化、自动化是未来的趋势,电梯企业更是走到了技术革新的最前沿,软件大大降低了对人的依赖,降低了管理成本,特别是新员工很容易快速完成工作。 易操作:拓普锐电梯井道图CAD软件是释放人力的系统,将井道数据、轿厢数据、导轨数据、门机数据等采用人性化的交互界面,使用者只需要在界面中修改各种参数即可,之后一键即可完成出图。拓普锐电梯井道图CAD软件根据客户的不同需要,可以提供英文版、中文版的双语定制,并可以根据实际的需要进行日文、俄语的转换定制工作,促进企业完成国际市场的开拓。拓普锐电梯井道图采用量身定制的方式完成。每家都是独立的系统,都是专属的软件,我们通过全程1对1的服务,为客户完成软件的定制。 安全保密:软件运行后,是企业独有的固有资产,运行在企业的电脑上,只需专人管理授权即可。软件采用通用性最好的开发语音C#开发,更容易将数据向外输出,与ERP、PLM、PDM、AI、AO、物联网等系统无缝对接。 16.其它模块: 《拓普锐电梯设计系统软件》除了拓普锐单井道有机房货梯井道图软件,还包括很多其它梯种的软件,用户可以根据厂家实际的需要选择定制。其它梯种的软件内容包括:拓普锐单井道无机房客梯、拓普锐有机房客梯、拓普锐无机房货梯、拓普锐别墅梯井道图软件、拓普锐杂物梯井道图软件、拓普锐电梯生产图软件、拓普锐装箱单系统、拓普锐生产清单系统、拓普锐采购清单系统、拓普锐电气清单系统、拓普锐成本清单系统、拓普锐电梯报价系统、拓普锐电梯网上订单系统、拓普锐电梯装潢系统、拓普锐井道图网页版系统、拓普锐双井道有机房客梯,拓普锐多井道有机房客梯、每个模块既可以独立运行,也可以互联运行完成数据输出。 15.总述: 《拓普锐电梯快速设计系统》软件是本公司专为电梯企业开发的电梯井道设计、生产设计、表格输出为一体的软件系统。软件采用可视化操作界面,工程师只需参依据电梯客户的基本要求输入相应数据,软件就能迅速生成按真实尺寸绘制的完整、规范图纸。软件内置了大量的计算功能,能够对输入的数据进行合法化检查,最大程度的减少因人为因素造成的设计错误。 《电梯井道CAD系统》软件的数据结构完全开放,易于维护,具有良好的可扩展性,便于企业应对不断变化的客户需求。软件采用了本公司独创的“参数化图形装配”技术,通过对图形的参数化,使得软件能用一个智能图形生成各种尺寸数值的图形;通过对多个图形的装配,使得软件能以易于扩展的参数化图形库应对复杂变化的电梯工程。通过对软件的参数化图形库和装配关系进行扩展,就能实现对软件功能的扩展。 对企业而言,《电梯井道CAD系统》软件将企业的电梯技术,设计规范集成到软件之中,这既减少了员工培训的成本,又降低了员工离职带来的风险。对工程师而言,有了《电梯井道CAD系统》软件,电梯设计工作不再是重复、枯燥的绘图,工作变得轻松,简单。 本软件能够读入“销售数据”和输出“物料表”,可以和企业的ERP系统无缝集成。 经过多年的开发与完善,该软件功能已非常专业、全面,已成功应用到多家电梯公司,得到用户的好评,并有多家电梯企业正在接洽中。客户普遍认为,这套软件智能高效,功能不亚于国外同类软件,在企业推广后,显著降低了电梯井道设计工作的难度,大大提高了设计效率,从而使企业得以集中人力从事新品的研发和应对电梯客户的特殊需求,提高了企业的竞争力,提升了企业的经济效益。 《电梯井道CAD系统》软件一定会您企业的电梯设计和信息化建设工作带来巨大帮助,通过近10年的发展,已经解决了各种非标情况的设计。 
联系方式: 项目提供商:北京拓普锐科技有限公司 联系人 :胡玉双 联系电话:18614296396 13671116409 微 信:CAD2017 E-mail:2413926634@QQ.COM
|