三菱电机株式会社创建于1921年,是引领全球市场的电机产品供应商, 目前拥有10万多名雇员,是世界500强企业。
三菱电机作为一家跨国企业,在90多年的历史中,始终致力于尖端技术及专业领域的研究、开发与制造。主要从事信息通信系统、电子元器件、重电系统、工业自动化系统、汽车电装品设备和家用电器等业务,并在卫星、防御系统、通风设备等领域处于世界领先地位。此外,三菱电机拥有优秀的显示设备和显示装置技术。
三菱电机集团基于企业宣言“changes for better”向着“更加美好的明天”,致力于提高技术、服务与创造力,为实现充满活力和富足的社会作贡献。
截止于2014年12月,三菱电机在中国的合资、独资企业已达33家,它们在汽车零部件、半导体等电子器件领域,以及输变电设备、电梯、铁道车辆用电机品、工业自动化设备、家用电器等电子、机器的广泛领域内,均开展着各项事业并积极进行技术转让。三菱电机(中国)有限公司成立于1997年10月,作为一家投资性公司,今后我们将进一步开展我们在中国的投资活动,并且作为综合电子机电企业----三菱电机在中国的窗口,将不断展开与中国各科研等单位的共同研究开发、人才培育、文化交流等活动,为中日友好及中国经济发展作出贡献。
三菱电机自动化(中国)有限公司
Mitsubishi Electric Automation (China) Ltd.
地址:上海市虹桥路1386号 三菱电机自动化中心
电话:(021) 2322 3030
技术支持热线:400-821-3030
网址: http://cn.mitsubishielectric.com/fa/zh
新浪微博:@三菱电机自动化中国
@三菱电机自动化大赛
@三菱电机自动化培训
官方微信号:三菱电机自动化中国
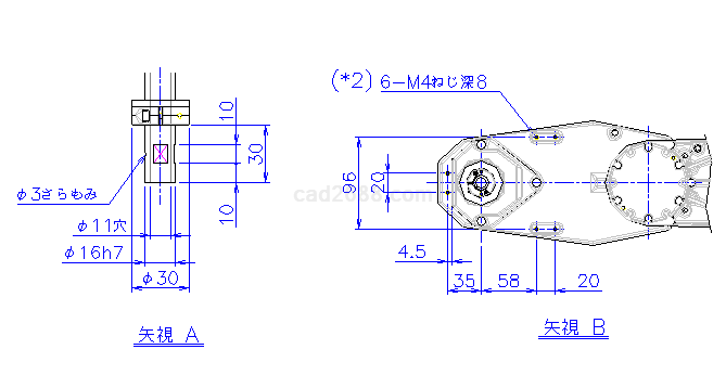
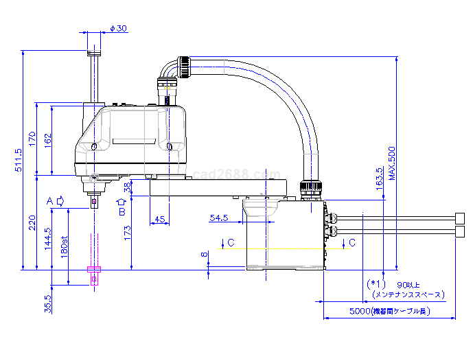
三菱工业机器人外形动作范围CAD图纸DXF格式产品为0元购产品,注册会员后,即可免费购买下载0元购产品,在订单详细信息中点击下载链接,下载该文件!
三菱工业机器人外形动作范围CAD图纸DXF格式产品为0元购产品,注册会员后,即可免费购买下载0元购产品,在订单详细信息中点击下载链接,下载该文件!