气立可CHELIC机械夹爪CAD图纸DWG格式
欢迎来到CAD2688网 登录 免费注册
全部商品分类

气立可CHELIC机械夹爪CAD图纸DWG格式

商品编号: QLKCJXJSCADDWG001

我要买:
分享到: 更多
  • 著作权介绍
  • 产品介绍
  • 视频展示
  • 购买评论
  • 产品问答
  • 购买须知
  • 试用下载

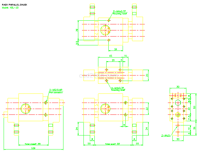
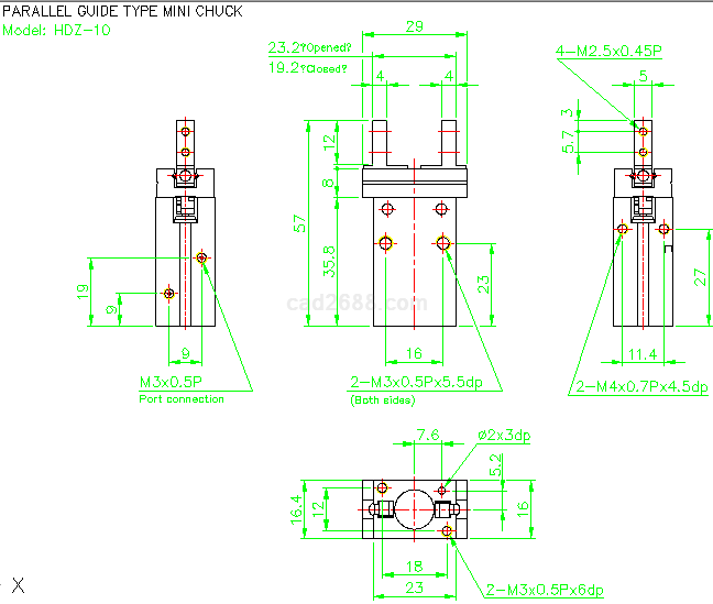
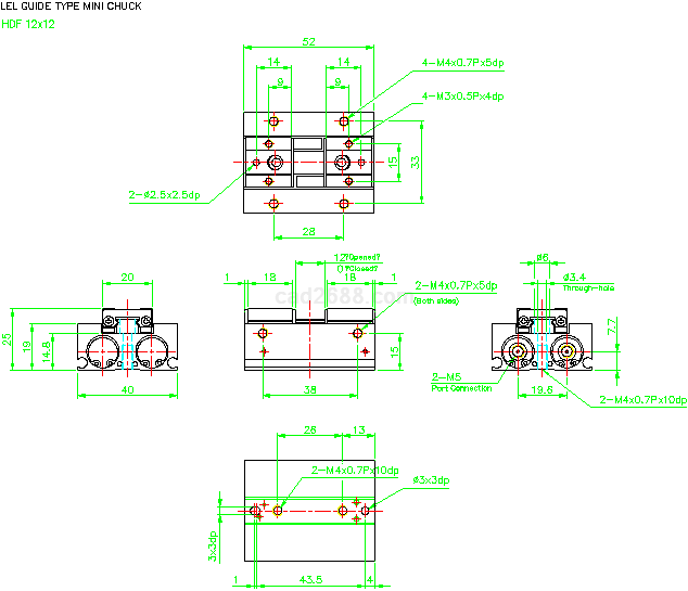
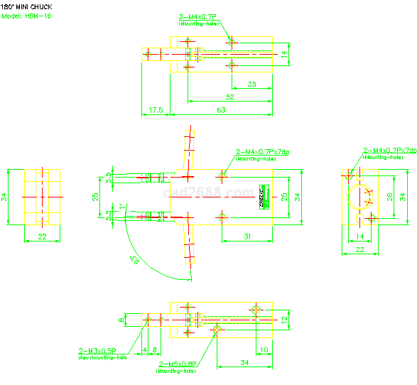
气立可CHELIC机械夹爪CAD图纸包括180 O 机械夹、Y型机械夹、大口机械夹、滑轨平行夹、滑轨型平行机械夹、平行机械夹、三爪机械夹、支点式微型卡盘等系列图纸,格式DWGAutoCAD2010以上版本软件都可以打开调用编辑,数量为70个图纸文件。


气立可CHELIC机械夹爪CAD图纸DWG格式产品为0元购产品,注册会员后,即可免费购买0元购产品,在订单详细信息中点击下载链接,即可下载该图纸文件!


气立可CHELIC机械夹爪CAD图纸DWG格式部分内容截图如下:









  • 机械
  • 电气
  • 化工
  • 模具
  • 更多

京公网安备 11011102002233号