企业介绍:
1978年,创业者松下幸之助与访问日本的邓小平副总理(时任)进行了会谈。会谈中,松下幸之助提出“21世纪是亚洲的时代,中国与日本应该加强合作促进世界发展”的见解并承诺为中国电子工业发展做贡献,由此Panasonic集团翻开了创造中国事业的历史新篇章。Panasonic为了向中国消费者提供更好的产品,在制造、研发、销售等多个方面开展着事业。
2014年,Panasonic中国事业迎来了35周年。我们收到了中国社会各界人士的祝福,同时也深感社会责任之重大。为了更好的服务于中国经济的发展和社会的进步,Panasonic继承“家电DNA”的同时,通过技术和解决方案大力推进可以帮助中国解决社会问题的B2B事业。为此,2015年,我们成立了“松下解决方案·服务公司”。
为了中国社会的美好未来,Panasonic全体员工将不懈努力,立志成为您所喜爱和信赖的企业。
网址:http://www.industrial.panasonic.cn/
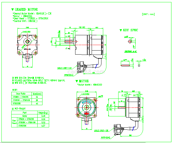
松下电机CAD图纸249套为0元购产品,注册会员后,即可免费购买0元购产品,在订单详细信息中点击下载链接,即可下载该模型文件!
松下电机CAD图纸249套为0元购产品,注册会员后,即可免费购买0元购产品,在订单详细信息中点击下载链接,即可下载该模型文件!