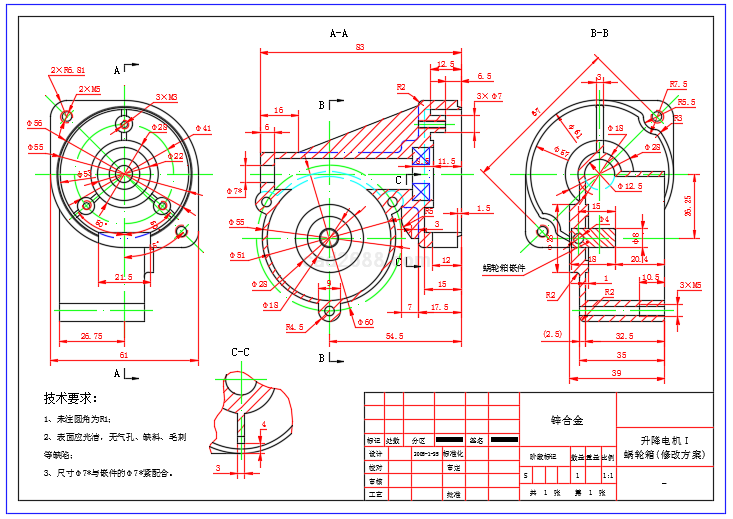
升降电机蜗轮箱CAD图纸
欢迎来到CAD2688网 登录 免费注册
全部商品分类

升降电机蜗轮箱CAD图纸

商品编号: SJDJWLXCADTZ001

我要买:
分享到: 更多
  • 著作权介绍
  • 产品介绍
  • 视频展示
  • 购买评论
  • 产品问答
  • 购买须知
  • 试用下载

升降电机蜗轮箱CAD图纸产品为0元购产品,注册会员后,即可免费购买下载0元购产品,在订单详细信息中点击下载链接,下载该文件!


升降电机蜗轮箱CAD图纸如下:

暂时还没有合适的生产企业推荐,您是产品供应商,请联系我:

联系人:胡先生

电话:13671116409 

QQ2413926634

微信:CAD2017



  • 机械
  • 电气
  • 化工
  • 模具
  • 更多

京公网安备 11011102002233号