- 著作权介绍
- 产品介绍
- 视频展示
- 购买评论
- 产品问答
- 购买须知
- 试用下载
离心机是利用离心力,分离液体与固体颗粒或液体与液体的混合物中各组分的机械。离心机主要用于将悬浮液中的固体颗粒与液体分开,或将乳浊液中两种密度不同,又互不相溶的液体分开(例如从牛奶中分离出奶油);它也可用于排除湿固体中的液体,例如用洗衣机甩干湿衣服;特殊的超速管式分离机还可分离不同密度的气体混合物;利用不同密度或粒度的固体颗粒在液体中沉降速度不同的特点,有的沉降离心机还可对固体颗粒按密度或粒度进行分级。
CAD图纸德国离心机总装图CAD格式产品为0元购产品,注册会员后,即可免费购买下载0元购产品,在订单详细信息中点击下载链接,下载该文件!
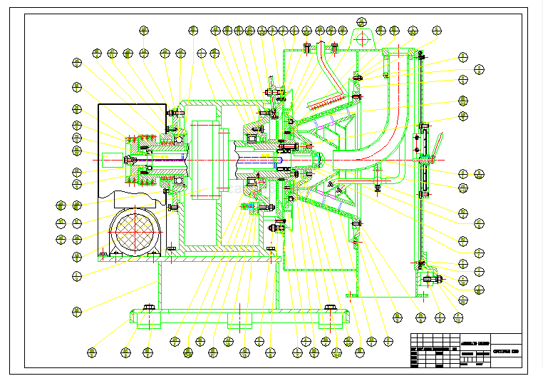
CAD图纸德国离心机总装图CAD格式如下:

离心机是利用离心力,分离液体与固体颗粒或液体与液体的混合物中各组分的机械。离心机主要用于将悬浮液中的固体颗粒与液体分开,或将乳浊液中两种密度不同,又互不相溶的液体分开(例如从牛奶中分离出奶油);它也可用于排除湿固体中的液体,例如用洗衣机甩干湿衣服;特殊的超速管式分离机还可分离不同密度的气体混合物;利用不同密度或粒度的固体颗粒在液体中沉降速度不同的特点,有的沉降离心机还可对固体颗粒按密度或粒度进行分级。
CAD图纸德国离心机总装图CAD格式产品为0元购产品,注册会员后,即可免费购买下载0元购产品,在订单详细信息中点击下载链接,下载该文件!
离心机是利用离心力,分离液体与固体颗粒或液体与液体的混合物中各组分的机械。离心机主要用于将悬浮液中的固体颗粒与液体分开,或将乳浊液中两种密度不同,又互不相溶的液体分开(例如从牛奶中分离出奶油);它也可用于排除湿固体中的液体,例如用洗衣机甩干湿衣服;特殊的超速管式分离机还可分离不同密度的气体混合物;利用不同密度或粒度的固体颗粒在液体中沉降速度不同的特点,有的沉降离心机还可对固体颗粒按密度或粒度进行分级。
CAD图纸德国离心机总装图CAD格式产品为0元购产品,注册会员后,即可免费购买下载0元购产品,在订单详细信息中点击下载链接,下载该文件!